笼式调节阀KCB阀体.PN6.3 HGDN50-Model
大小61.4 KB
格式pdf文档
语言中文版
类别工业仪表/执行器
更新日期2026-02-06
收藏
资料说明
资料名称:

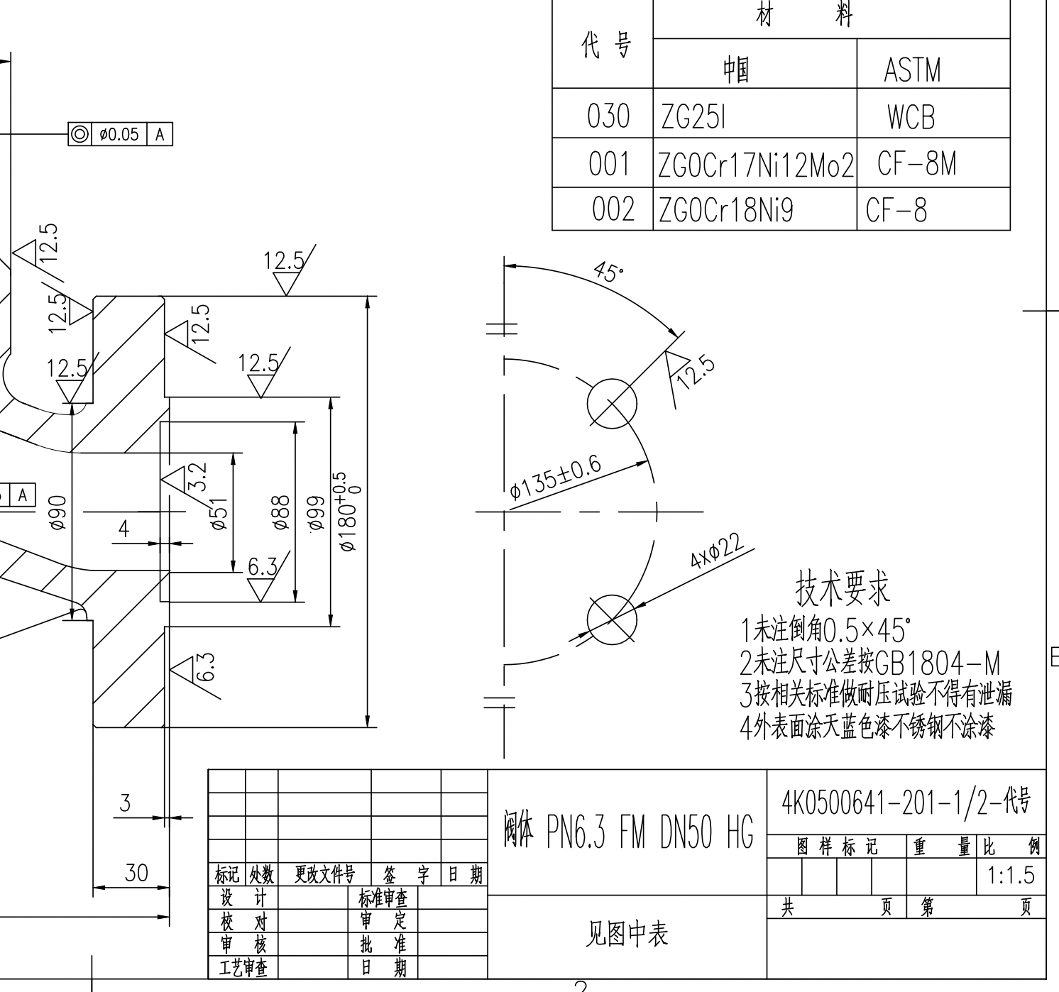
笼式调节阀KCB阀体.PN6.3 HGDN50-Model

资料类型:

设计

适用产品:

调节阀

主要内容关键词:
笼式
调节阀
KCB
阀体
PN6.3
HG
DN50
摘要说明:

笼式调节阀是压力平衡式调节阀,阀内件采用套筒导向的先导式阀芯,它主要利用流体的压力实现阀芯快速动作,操作力小。另外密封型式采用单座密封,泄漏等级符合ANSI B16.104 Ⅳ级,流量特性曲线精度高,符合IEC534-2标准。 调节阀配用多弹簧式薄膜执行机构或电动执行机构,其结构紧凑、输出力大、调节阀动态稳定性好、噪音低、防空化,适宜控制各种温度的高压差流体。

留言